Application Example: Two-Hand Control
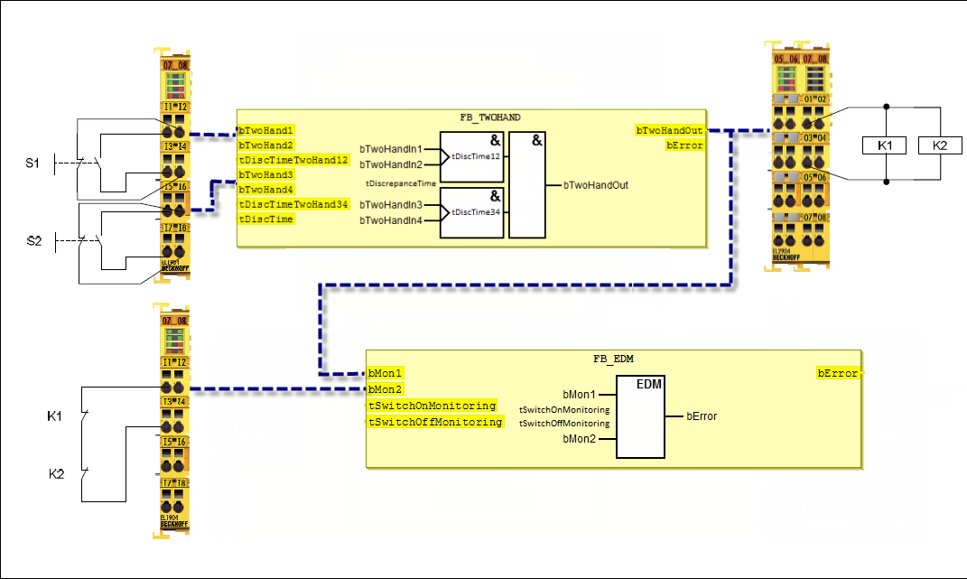
A two-hand control (Category 4, PL e) is used as a programming example of CODESYS Safety for EtherCAT Safety Module and illustrated as an FBD implementation.
The two-hand pushbuttons each consist of a combination of normally closed and normally open contacts on the safe inputs of an input module (example: EL1904). Testing of the inputs is active and the signals are also checked for discrepancy (200 ms). In addition, the synchronous actuation of the two pushbuttons is activated with a monitoring time of 500 ms.
The feedback loop is read in via a safe input. The contactors K1 and K2 are connected in parallel to the safe output. The measurement of current and testing of the output are active for this circuit.


Name | Data Type | Description |
|---|---|---|
|
| Two-hand pushbutton 1: NO (normally open) |
|
| Two-hand pushbutton 1: NC (normally closed) |
|
| Two-hand pushbutton 2: NO (normally open) |
|
| Two-hand pushbutton 2: NC (normally closed) |
|
| Contacts of |
Name | Data Type | Description |
|---|---|---|
|
| Actuation of contactors |
|
| Error flag of |
|
| Error flag of |
Function Block | Input | Constant Value | Description |
|---|---|---|---|
|
|
| Discrepancy time between NC contact and NO contact of |
|
|
| Discrepancy time between NC contact and NO contact of |
|
|
| Discrepancy time between |
|
|
| Switch-on delay |
|
|
| Switch-off delay |